高溫外球面軸承座 UCP216 起重運輸機械用700度耐高溫帶座軸承(江蘇魯岳)
江蘇魯岳軸承制造有限公司生產的SIAIF耐高溫軸承,鋼廠鍋爐冷熱軋機輸送機設備用耐350度高溫深溝球軸承,在設計方面與同尺寸的標準單列深溝球軸承相同。 這些高溫軸承沒有裝球缺口設計,既能承受徑向載荷,又能承受一定的軸向載荷。
對于特定的變型,其軸承和防塵蓋的整個表面都經過錳磷化處理,以提高潤滑劑在金屬上的粘附性,并改善軸承的運行屬性。SIAIF高溫軸承的徑向內部游隙為多倍 C5 游隙,軸承即使在迅速冷卻的情況下也不會被卡住。

SIAIF耐高溫軸承座型號后綴如下:
VA201用于高溫應用的軸承,配有沖壓鋼保持架、經軸承的套圈和滾動體經過錳磷化處理,徑向游隙為多倍 C5 游隙,且使用聚亞烷基二醇(PAG)/石墨的混合物進行潤滑
VA208用于高溫應用的軸承,配有分段式石墨保持架,軸承的套圈和滾動體經過錳磷化處理,且徑向游隙為多倍 C5 游隙
VA228用于高溫應用的軸承,配有冠狀石墨保持架,軸承的套圈和滾動體經過錳磷化處理,且徑向游隙為多倍 C5 游隙





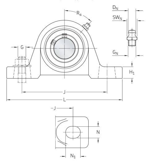
SIAIF耐高溫立式外球面軸承座 UCP216 高溫軸承座 詳細參數
耐高溫軸承選江蘇魯岳軸承制造有限公司,SIAIF耐高溫軸承廠家主要生產不銹鋼軸承、耐高溫立式外球面軸承座UCP216 高溫軸承座,SIAIF耐高溫立式外球面軸承座UCP216 高溫軸承座產品相關信息:型號:UCP216 高溫軸承座, 品牌:SIAIF軸承 , 類型:立式外球面軸承座 , 內徑:mm , 外徑:mm , 厚度:mm , 想要更多的了解無錫SIAIF耐高溫立式外球面軸承座UCP216 高溫軸承座的相關產品信息,可以撥打服務熱線 ,我們會為您詳細介紹產品的相關服務。
江蘇魯岳軸承制造有限公司生產的SIAIF耐高溫立式外球面軸承座 UCP216 高溫軸承座 使用范圍很廣,主要應用于鋼廠冶金、玻璃、高爐、噴漆設備、礦山機械、輸送機、傳輸裝置、鍋爐風機、真空設備、窯爐窯車、機床設備、工程機械、振動篩、汽車、石油、電力、電機等高溫作業機械。本公司生產的SIAIF耐高溫軸承UCP216 高溫軸承座產品價格合理,保證質量,盡一切滿足客戶的產品需求。


關注公眾號,隨時查軸承